后进白嫩翘臀在线视频-久久久久九九九精品-天堂资源在线一区二区-成人黄色av免费在线观看

歡迎訪問東莞市穎鑫電子科技有限公司

10年專注電子元器件生產研發

產品質量有保 售后7×24小時服務

24小時咨詢熱線:13827297626
聯系我們
tel24小時咨詢熱線: 13827297626

手機:13827297626

電話:13827297626

郵箱:435281082@qq.com

地址:廣東省東莞市樟木頭鎮圩鎮荔苑路7號星耀國際

您的位置:首頁>>輕觸開關>>正文

輕觸開關

帶燈貼片輕觸開關

發布時間:2019-10-12 點此:13964次

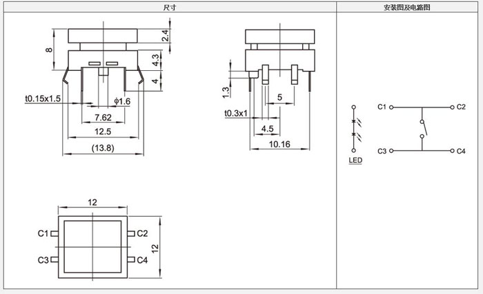
帶燈貼片輕觸開關批發價格:0.3~1.0元/個

規格尺寸:10mm*H10mm(多種款式選擇)

操作力:160gf/250gf

LED燈顏色:可選

品名:帶燈開關

帶燈開關技術參數:

1.額定負荷: DC 12V 50mA

2.接觸電阻: ≤100mΩ

3.絕緣阻抗: ≥100mΩ DC250V

4.使用溫度: -25℃+80℃

5.使用濕度: ≤85%RH

6.操作力 :160gf,250gf

7.使用壽命: 100,000 Cycles

產品設計圖圖片:

帶燈貼片輕觸開關接線電路圖.jpg

東莞市穎鑫電子廠家生產各類不同型號尺寸的按鍵輕觸開關,同時也可以定制帶燈輕觸開關,在按鈕的部位加上客戶需要的燈光效果和圖案,以及可以做成防水輕觸開關等等,公司不僅可以生產搞壽命的各種電子元器件,還能對不同發光顏色進行定制相關延時輕觸按鍵和檢測開關,公司的產品不僅使用壽命長,同時品質的把控也是很嚴格的,可以替代進口日本的各種輕觸開關和微動開關。穎鑫品牌公司作為廣東省深圳市各大企業的大型的供應商,不僅有貼片開關各種系列類型,同時主營的產品品種也是非常繁多,涉及服務的行業從低端手工業到高端智能機器人行業都有,公司成立多年來,一致秉承竭誠服務客戶的宗旨,對于需要用貨比較急的客戶,提供以最快能達到的速度安排生產制作,用最理想的時間,交貨給客戶。公司主營的產品不僅有微型貼片開關,彈片輕觸開關還有立式撥動開關,震動開關,二極管和三極管,插座,接觸電容,撥碼開關,連接器等等電子設備用到的電子元器件,認證資質齊全,質量保障,自動化生產和備案記錄,供應能力和研發能力強,報價實惠。

相關推薦

在線客服
服務熱線

24小時咨詢熱線:

13827297626

微信咨詢
穎鑫電子
返回頂部