后进白嫩翘臀在线视频-久久久久九九九精品-天堂资源在线一区二区-成人黄色av免费在线观看

歡迎訪問東莞市穎鑫電子科技有限公司

10年專注電子元器件生產研發

產品質量有保 售后7×24小時服務

24小時咨詢熱線:13827297626
聯系我們
tel24小時咨詢熱線: 13827297626

手機:13827297626

電話:13827297626

郵箱:435281082@qq.com

地址:廣東省東莞市樟木頭鎮圩鎮荔苑路7號星耀國際

您的位置:首頁>>輕觸開關>>正文

輕觸開關

貼片輕觸開關

發布時間:2019-10-10 點此:10804次

輕觸開關是一種電子開關,屬于電子元器件類。

2.6*1.6貼片輕觸開關廠家的批發對外價格:0.01~0.05元/個;

2.6*1.6貼片輕觸開關

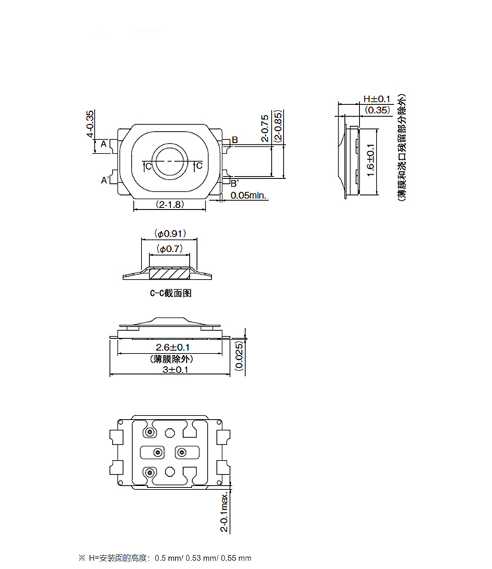
按鍵開關半深入:0.50~0.53mm的外形尺寸:2.6mm x 1.6mm的小型尺寸。

支持IP67,廠家直銷。

貼片開關結構圖.jpg

SMD型的輕觸開關特點:
1.外形尺寸:2.6 mm×1.6 mm,高度0.5 mm、0.53 mm、0.55 mm
2.帶執行器,確保良好的可操作性
3.對應IP67

貼片開關的主要規格型號:

按鈕種類:快速按動式單極單投 

電氣特性:額定10 μA 2 V DC ~ 20 mA 15 V DC(電阻負載) 

接觸電阻:500 mΩ 以下 

絕緣電阻:50 MΩ 以上 (100 V DC) 

耐電壓:250 V AC 1 分鐘 

振動薄膜:10 ms 以下 (ON、OFF) 

機械特性:操作力 0.7 N 1.0 N 1.6 N、2.4N  

彈片行程:0.08 mm 0.08 mm 0.11 mm 

耐用性:使用壽命 200,000 次以上 500,000 次以上 

防水等級保護構造:IP67

防塵性 :滑石4種 8小時

防水性 :1 m 30分鐘浸泡 

使用溫度范圍:–40 ℃ ~ +85 ℃ 

儲存溫度范圍:–40 ℃ ~ +85 ℃ (單件),–20 ℃ ~ +60 ℃ (帶狀包裝) 

最小包裝數量:10,000 個 模壓帶包裝(卷盤包裝) 

包裝箱容量:50,000 個;

備注:本產品不可清洗。(可定制防水輕觸開關系列,多用于汽車等技術要求比較高,需要清洗的行業設備上)

防水等級IP67: 開關為放置狀態,不動作。在規定條件下,無對開關特性產生不利影響的粉塵和水的侵入。 但IP67(防塵性、防水性)是單開關狀態下保證的性能,某些封裝狀態和使用方法可能無法保證。 因此,對于防塵、防水特性尤顯重要的使用場合,請聯系我們。我們的產品在廣東省內的很多電子工廠企業都有在使用,特別是插座配合賣家的不同研發產品,效果是非常好,在深圳市很多精密儀器的工廠都擁有我們不同防水等級的輕觸開關產品,此款產品客戶的詢價數量和需求也是很高,經常有不同地區的熱線聯系我們公司需要急貨,可見在市場的需求是很高的,同時我們也提供不同分類的進口帶燈輕觸開關,給國外詢價的賣家選擇,做工的品質和相關認證的資質都有,如果賣家需要特殊定制研發,我們也可以支持開模,讓不同廣東省企業的產品和別人不同。

貼片防水輕觸開關編帶封裝

   東莞市穎鑫電子專業生產的不同檢測開關,輕觸開關,電位器,撥碼開關,售前售后優質服務,質量保障,可以提供不同品牌的貼牌開模定制服務,不同生產標準的報價有所不同,比如我們作為深圳高科技公司的供應商,他們生產制作的標準不同,所以銷售的報價也是不盡相同,如果是自動化的安裝生產線,對環保有特殊的標準,比如手機的超薄高品質的音量鍵,就可能需要做編帶處理。穎鑫同時也為賣家提供免費的報價以及樣品,關于采購的交期可以咨詢在線客服,如果有現貨則可以當天發貨,如果沒有客服可能需要通過車間的生產以及工程師進行協調,到時候會給客戶一個比較明確的交期解決方案。

相關推薦

在線客服
服務熱線

24小時咨詢熱線:

13827297626

微信咨詢
穎鑫電子
返回頂部