后进白嫩翘臀在线视频-久久久久九九九精品-天堂资源在线一区二区-成人黄色av免费在线观看

歡迎訪問東莞市穎鑫電子科技有限公司

10年專注電子元器件生產研發

產品質量有保 售后7×24小時服務

24小時咨詢熱線:13827297626
聯系我們
tel24小時咨詢熱線: 13827297626

手機:13827297626

電話:13827297626

郵箱:435281082@qq.com

地址:廣東省東莞市樟木頭鎮圩鎮荔苑路7號星耀國際

您的位置:首頁>>其他文章>>正文

其他文章

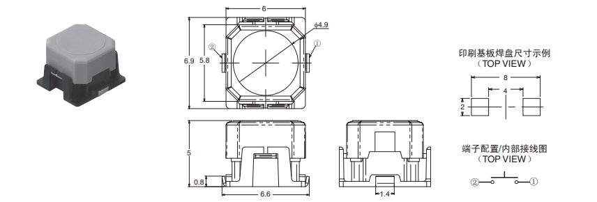
B3AL系列歐姆龍輕觸式開關

發布時間:2020-08-21 點此:1915次

B3AL系列歐姆龍輕觸式開關

額定值(阻性負載)DC5~16V 1~50mA 

使用環境溫度-40~+90℃ 60%RH以下(無結冰、無凝露)

使用環境濕度35~85%RH(+5~+35℃)

接點結構1a(常開接點)

絕緣電阻100mΩ以下

接觸電阻100MΩ以上(DC500V絕緣電阻計)

耐電壓AC250V 50/60Hz 1min

震蕩時間5ms以下(以3~4次/秒的速度敲擊柱塞中央部)

振動誤動作10~55Hz 雙振幅1.5mm

沖擊耐久最大1,000m/s2

誤動作最大100m/s2

壽命100萬次以上

重量約0.18g

B3AL系列歐姆龍輕觸式開關

B3AL系列歐姆龍輕觸式開關規格圖

B3AL系列歐姆龍輕觸式開關尺寸圖


在線客服
服務熱線

24小時咨詢熱線:

13827297626

微信咨詢
穎鑫電子
返回頂部