后进白嫩翘臀在线视频-久久久久九九九精品-天堂资源在线一区二区-成人黄色av免费在线观看

歡迎訪問東莞市穎鑫電子科技有限公司

10年專注電子元器件生產研發

產品質量有保 售后7×24小時服務

24小時咨詢熱線:13827297626
聯系我們
tel24小時咨詢熱線: 13827297626

手機:13827297626

電話:13827297626

郵箱:435281082@qq.com

地址:廣東省東莞市樟木頭鎮圩鎮荔苑路7號星耀國際

您的位置:首頁>>技術資料>>正文

技術資料

輕觸開關安裝焊接注意事項

發布時間:2019-09-07 點此:8618次

現階段據統計到許許多多的很多初學者技術人員因為缺乏對輕觸開關方面的基本常識了解,因此在安裝開關的過程中,導致很多操作不當,從而后置所造成的開關元件損耗也是相對比較大的。比如輕觸開關的基體并非完全的密封的設計,注意在安裝開關的時候,不必讓很多水氣、灰塵以及雜物的東西侵入。否則若水氣侵入到開關內部,從而也是會直接致使輕觸開關的內部元件受潮而失效,這也是很多的情況下,在安裝開關完成后,而出現很多失效無法使用開關的情況。下面為大家普及講下關于輕觸開關焊接作業注意基本常識。

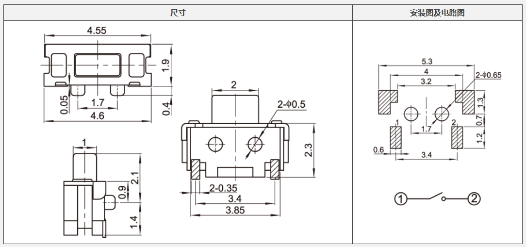
耳機輕觸開關模型.jpg

輕觸開關焊接作業注意基本常識

注意基本常識一

其次輕觸開關在進行基板安裝時,由于作業安裝當中有可能會飛散的基板粉進入開關內部,所以在操作上請務必多加這點。而且在按鍵開關的安裝環境之前,必須確保清潔好周邊的環境不能出現有過多的雜物存在。

注意基本常識二

再按鍵開關應用于回流焊時,注意不必讓發泡焊劑接觸開關安裝側的印刷基板上面,若基板上有發泡焊劑的話可能進入到開關而引起導通不良,從而后置所影響降低其開關的導電性能。

注意基本常識三

由于輕觸開關的基體并非完全的密封的設計,注意在安裝開關的時候,不必讓很多水氣、灰塵以及雜物的東西侵入。如在很多粉塵過多的場合安裝時,必須在開關的蓋帽安裝之前覆蓋一層相關的保護膜,以避免防止塵埃和雜物的侵入。

注意基本常識四

輕觸開關對于焊接預熱高溫一般建議在100℃以下,而對于在作業焊接的溫度應掌握在260℃,后置焊接的時間則應在3秒之內完成操作。否則后置開關的焊接時間太長,容易會造成把端腳焊穿或者損壞的情況,所以請在焊接時間以及焊接溫度這兩個重點多加小心操作。

注意基本常識五

還有輕觸開關焊接過程中,請特別多加注意周圍環境以及工作臺上雜物防止飛濺入開關的內部,而且其基板重疊也要防止避免基板分割粉或異物附著于開關的情況下,后置從而也是會造成影響到開關的接觸不良情況。

輕觸開關安裝焊接圖

在者如果在多次重復焊接輕觸開關時,應當在第一次和第二次作業之間應相隔3分鐘之后,讓其開關的焊點可以有足夠的散熱,待散熱之后,回復常溫后再進行二次開關的焊接。否則若是開關的持續加熱將會導致其輕觸開關的引腳被焊壞以及變形的情況,由此后置所造成開關元件的損耗。


相關推薦

在線客服
服務熱線

24小時咨詢熱線:

13827297626

微信咨詢
穎鑫電子
返回頂部