后进白嫩翘臀在线视频-久久久久九九九精品-天堂资源在线一区二区-成人黄色av免费在线观看

歡迎訪問東莞市穎鑫電子科技有限公司

10年專注電子元器件生產研發

產品質量有保 售后7×24小時服務

24小時咨詢熱線:13827297626
聯系我們
tel24小時咨詢熱線: 13827297626

手機:13827297626

電話:13827297626

郵箱:435281082@qq.com

地址:廣東省東莞市樟木頭鎮圩鎮荔苑路7號星耀國際

您的位置:首頁>>技術資料>>正文

技術資料

SD卡座規格尺寸書

發布時間:2020-04-09 點此:3817次

SD卡座基礎原理:

1.SD方式與SPI方式。其中SD方式采用6線制,使用CLK、CMD、DAT0~DAT3進行數據通信。

2.SPI方式采用4線制,使用CS、CLK、DataIn、DataOut進行數據通信。

3.SD方式時的數據傳輸速度與SPI方式要快,采用單片機對SD卡進行讀寫時一般都采用SPI模式。

4.采用不同的初始化方式可以使SD卡工作于SD方式或SPI方式。這里只對其SPI方式進行介紹?! ?/p>

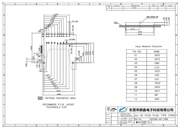
SD卡座封裝規格大全.jpg

SD卡座封裝

sd卡座結構與方法:

1.SD卡的SPI通信接口使其可以通過SPI通道進行數據讀寫。從應用的角度來看,采用SPI接口的好處在于,很多單片機內部自帶SPI控制器,不光給開發上帶來方便,同時也見降低了開發成本。然而,它也有不好的地方,如失去了SD卡的性能優勢,要解決這一問題,就要用SD方式,因為它提供更大的總線數據帶寬。

2.SPI接口的選用是在上電初始時向其寫入第一個命令時進行的。以下介紹SD卡的驅動方法,只實現簡單的扇區讀寫。


在線客服
服務熱線

24小時咨詢熱線:

13827297626

微信咨詢
穎鑫電子
返回頂部