后进白嫩翘臀在线视频-久久久久九九九精品-天堂资源在线一区二区-成人黄色av免费在线观看

歡迎訪問東莞市穎鑫電子科技有限公司

10年專注電子元器件生產研發

產品質量有保 售后7×24小時服務

24小時咨詢熱線:13827297626
聯系我們
tel24小時咨詢熱線: 13827297626

手機:13827297626

電話:13827297626

郵箱:435281082@qq.com

地址:廣東省東莞市樟木頭鎮圩鎮荔苑路7號星耀國際

您的位置:首頁>>輕觸開關>>正文

輕觸開關

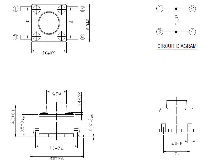
6x6x5輕觸開關

發布時間:2022-09-07 點此:1717次

穎鑫電子廠家批發6x6x5輕觸開關價格:0.03~0.05元/個;高度和按壓力度不同,價格可能會輕微浮動。

6*6*5輕觸開關

額定電流:50mA;

額定電壓:DC 12V;

接觸電阻:50MΩ(max);

絕緣電阻:100MΩ(min);

耐壓強度:AC 250V  50Hz/1min;

操作力度:160/250±50gf;

機械壽命:5萬次以上;

溫度范圍:-30°~85°;

6x6x5輕觸開關尺寸圖

6x6x5輕觸開關尺寸圖

不同高度的6*6輕觸開關款式

image.png

相關推薦

在線客服
服務熱線

24小時咨詢熱線:

13827297626

微信咨詢
穎鑫電子
返回頂部